Ȩ > > >
Parker Hannifin FR1400 Series High Flow Regulator¸ðµ¨¸í: FR1410HD5K2PFSFF[Âü°í¿ë À̹ÌÁöÀÔ´Ï´Ù] 1. Á¦Ç° °³¿ä (Product Overview)Parker Veriflo FR1400 ½Ã¸®Áî´Â ¹ÝµµÃ¼ Á¦Á¶ °øÁ¤ ¹× ±âŸ ÃÊ°í¼øµµ(UHP) °¡½º °ø±Þ ¶óÀÎÀ» À§ÇØ ¼³°èµÈ °íÀ¯·® °¨¾Ð ·¹±Ö·¹ÀÌÅÍÀÔ´Ï´Ù. ÀÌ Á¦Ç°Àº Tied-Diaphragm(ŸÀÌµå ´ÙÀ̾îÇÁ·¥) ¼³°è¸¦ äÅÃÇÏ¿© ¾ÈÁ¤ÀûÀÎ ¾Ð·Â Á¦¾î¿Í Ź¿ùÇÑ ¹ÐºÀ ¼º´ÉÀ» Á¦°øÇϸç, ÃÖ´ë 800 slpmÀÇ ³ôÀº À¯·®À» ó¸®ÇÒ ¼ö ÀÖ¾î Bulk Gas ½Ã½ºÅÛÀ̳ª VMB(Valve Manifold Box) µî¿¡ ÀÌ»óÀûÀÔ´Ï´Ù. ¸ðµ¨ FR1410HD5K2PFSFF´Â **°í¾Ð ÀÔ·Â(3000 psig)**°ú Double Melt 316L ½ºÅ×Àθ®½º ½ºÆ¿ ¹Ùµð¸¦ Àû¿ëÇÏ¿© ÃÖ°íÀÇ ¼øµµ¿Í ³»½Ä¼ºÀ» º¸ÀåÇÕ´Ï´Ù.
2. ÁÖ¿ä Æ¯Â¡ (Key Features)ÃÊ°í¼øµµ ¼³°è (UHP Design): ¹ÝµµÃ¼ °øÁ¤ °¡½º ¶óÀο¡ ÃÖÀûÈµÈ ¼³°è. °íÀ¯·® ó¸® ´É·Â (High Flow): ÃÖ´ë 800 slpmÀÇ À¯·® Á¦¾î °¡´É (À¯·® °è¼ö Cv 0.5). Tied-Diaphragm µðÀÚÀÎ: ´ÙÀ̾îÇÁ·¥°ú Æ÷ÇÍÀÌ ¿¬°áµÈ ±¸Á¶·Î ½ÃÆ® ´©¼³À» ¹æÁöÇÏ°í ¾Ð·Â Á¦¾îÀÇ ¾ÈÁ¤¼º ±Ø´ëÈ. ¿ì¼öÇÑ Ç¥¸é Á¶µµ: ³»¸é °ÅÄ¥±â 10 Ra (Electropolished)·Î ÀÔÀÚ ¿À¿° ¹× °¡½º ÈíÂø ÃÖ¼ÒÈ. ±Ý¼Ó ´ë ±Ý¼Ó ¾Á (Metal-to-Metal Seal): ¿ÜºÎ ´©¼³À» ¿Ïº®ÇÏ°Ô Â÷´ÜÇÏ¿© °íÀ§Çè °¡½º »ç¿ë ½Ã ¾ÈÀü¼º È®º¸. ³»±¸¼º: Hastelloy C-22¢ç ´ÙÀ̾îÇÁ·¥À» ±âº» ÀåÂøÇÏ¿© ¶Ù¾î³ ³»½Ä¼º°ú ±ä ¼ö¸í Á¦°ø.
3. ±â¼ú »ç¾ç (Technical Specifications)ÀÌ ¸ðµ¨ ÄÚµå(FR1410HD5K2PFSFF)ÀÇ »ó¼¼ »ç¾ç ºÐ¼®ÀÔ´Ï´Ù.  Âü°í: ¿¬°á »çÀÌÁî(Connection Size)´Â ÄÚµå»ó ¸í½ÃµÇÁö ¾Ê¾ÒÀ¸³ª, FR1400 ½Ã¸®ÁîÀÇ FSFF ŸÀÔÀº ÀϹÝÀûÀ¸·Î 1/4" ¶Ç´Â **3/8"**°¡ Ç¥ÁØÀÔ´Ï´Ù. ¼³Ä¡ Àü ¹è°ü »çÀÌÁî È®ÀÎÀ» ±ÇÀåÇÕ´Ï´Ù.
4. ÁÖ¿ä Àû¿ë ºÐ¾ß (Applications)¹ÝµµÃ¼ Á¦Á¶ Àåºñ (Semiconductor Tools): °íÀ¯·®ÀÌ ÇÊ¿äÇÑ °øÁ¤ è¹ö °¡½º °ø±Þ. °¡½º ijºñ´Ö (Gas Cabinets) & VMB: ´ë¿ë·® °¡½º ºÐ¹è ½Ã½ºÅÛ. Bulk Gas System (BSGS): °øÀå ³» ¸ÞÀÎ °¡½º °ø±Þ ¶óÀÎ. Ư¼ö °¡½º ½Ç¸°´õ (Specialty Gas Cylinders): °í¾Ð ¿ë±â¿¡¼ Á÷Á¢ °¨¾ÐÀÌ ÇÊ¿äÇÑ °æ¿ì.
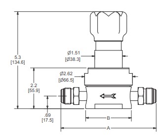
5. Ä¡¼ö ¹× µµ¸é Á¤º¸ (Dimensions)(½ÇÁ¦ ¼³Ä¡ ½Ã Á¦Á¶»ç īŻ·Î±×ÀÇ »ó¼¼ µµ¸éÀ» ÂüÁ¶ÇϽʽÿÀ. ¾Æ·¡´Â ÀϹÝÀûÀÎ Face Seal ŸÀÔÀÇ ´ë·«ÀûÀÎ Ä¡¼öÀÔ´Ï´Ù.) End-to-End ±æÀÌ: ¾à 109 ~ 132 mm (¿¬°á »çÀÌÁî¿¡ µû¶ó »óÀÌ) ¹Ùµð Á÷°æ: ¨ª 60.5 mm (2.38 in) ¸¶¿îÆÃ: ÆÐ³Î ¸¶¿îÆ® ¿É¼Ç Á¦°ø (ĸ ¸µ »ç¿ë ½Ã)



|
| No | ±¸ºÐ | Á¦¸ñ | ÷ºÎÆÄÀÏ |
| 1 |
īŻ·Î±× |
PARKER ·¹±Ö·¹ÀÌÅÍ(2PORT) / FR1410HD5K2PFSFF |
 |
¹Ýǰ ±³È¯ ¾È³» »óǰ ºÒ·® ¹× ¿À¹è¼Û µîÀÇ ÀÌÀ¯·Î ¹ÝǰÇÏ½Ç °æ¿ì, ¹Ýǰ¹è¼Ûºñ´Â ¹«·áÀÔ´Ï´Ù. ¹Ýǰ ¹× ±³È¯Àº »óǰ ¼ö·É ÈÄ 14ÀÏ À̳»¿¡ ½ÅûÇÏ½Ç ¼ö ÀÖ½À´Ï´Ù. Áß°íÁ¦Ç°ÀÏ °æ¿ì¿¡´Â Á¦Ç° ¼³¸í°ú ´Ù¸¦ °æ¿ì ȯºÒÀ̳ª ±³È¯ °¡´ÉÇÕ´Ï´Ù. ¹æ¹® È®ÀÎ ÈÄ ±¸ÀÔÇÑ Áß°í Á¦Ç°ÀÇ °æ¿ì ¹Ýǰ ¹× ±³È¯ÀÌ ºÒ°¡´É ÇÕ´Ï´Ù.
¹Ýǰ/±³È¯/ºÒ°¡»çÀ¯ -´ÙÀ½ÀÇ °æ¿ì¿¡´Â ¹Ýǰ/±³È¯ÀÌ ºÒ°¡ÇÕ´Ï´Ù. *¹Ýǰ/±³È¯ °¡´É±â°£À» ÃʰúÇÏ¿´À» °æ¿ì *»óǰ ¹× ±¸¼ºÇ°À» Ãë±ÞºÎÁÖÀÇ·Î ÀÎÇÑ ÆÄ¼Õ/°íÀå/¿À¿°µÈ °æ¿ì *°í°´´ÔÀÇ ¿äû¿¡ ÀÇÇØ ÁÖ¹®Á¦ÀÛµÈ °æ¿ì °í°´´ÔÀÇ º¯½É¿¡ ÀÇÇÑ °æ¿ì *»óǰÀ» ¼³Ä¡ÇÏ¿´°Å³ª »ç¿ë ¶Ç´Â »óǰ ÀϺθ¦ ¼ÒºñÇÏ¿´À» °æ¿ì *°í°´´ÔÀÇ Ã¥ÀÓÀÖ´Â »çÀ¯·Î »óǰ µîÀÌ ¸ê½Ç ¶Ç´Â ÈÑ¼ÕµÈ °æ¿ì *¼Ò¸ð¼º »óǰÀ» °³ºÀ ¶Ç´Â »ç¿ëÇÏ¿´À» °æ¿ì
¹Ýǰ/±³È¯ Âü°í»çÇ× *°í°´´Ô ±ÍÃ¥»çÀ¯·Î ÀÎÇØ ¼ö°Å°¡ Áö¿¬µÉ °æ¿ì¿¡´Â ¹ÝǰÀÌ Á¦ÇÑµÉ ¼ö ÀÖ½À´Ï´Ù. *ÀϺΠ»óǰÀÇ °æ¿ì, Á¦Á¶»çÀÇ »çÁ¤(½Å¸ðµ¨ Ãâ½Ã µî) ¹× ºÎǰ °¡°Ýº¯µ¿ µî¿¡ ÀÇÇØ °¡°ÝÀÌ º¯µ¿µÉ ¼ö ÀÖÀ¸¸ç, ÀÌ·Î ÀÎÇÑ ¹Ýǰ ¹× °¡°Ý º¸»óÀº ºÒ°¡ÇÕ´Ï´Ù. *ºÀÀÎ ¶óº§ ¹× ·¦ÇÎ/ºñ´ÒÆ÷ÀåÀ» Á¦°ÅÇÑ ÈÄ¿¡´Â ¹ÝǰÀÌ ºÒ°¡ÇÕ´Ï´Ù. *ÀÚü A/S¼¾ÅͰ¡ ÀÖ´Â »óǰÀº ÇØ´ç A/S¼¾ÅÍ¿¡¼ ºÒ·®Á¦Ç° ÆÇÁ¤À» ¹ÞÀ¸½Å ÈÄ ¹Ýǰ½ÅÃ»ÇØÁֽñ⠹ٶø´Ï´Ù.
A/S¾È³» »óǰ ºÒ·®¿¡ ÀÇÇÑ ¹Ýǰ, ±³È¯, A/S, ȯºÒ, ǰÁúº¸Áõ ¹× ÇÇÇØº¸»ó µî¿¡ °üÇÑ »çÇ×Àº ¼ÒºñÀÚºÐÀïÇØ°á±âÁØ(°øÁ¤°Å·¡À§¿øÈ¸ °í½Ã)¿¡ µû¶ó ¹ÞÀ¸½Ç ¼ö ÀÖ½À´Ï´Ù.
Á¦Ç°¿¡ ±âÀçµÈ Á¦Ç°¿¡ ´ëÇÑ ¾ÈÀüÀÎÁõ¹øÈ£ ¹× A/S¿¡ ´ëÇÑ »çÇ×Àº °ü·Ã ±ÔÁ¤¿¡ µû¶ó A/S¹ÞÀ¸½Ç ¼ö ÀÖ½À´Ï´Ù.
|
»óǰÆòÀº ÁÖ°üÀûÀÎ ÀǰßÀ̹ǷΠº¸´Â »ç¶÷¿¡ µû¶ó Â÷À̰¡ ÀÖÀ» ¼ö ÀÖÀ½À» Âü°íÇϽñ⠹ٶø´Ï´Ù. ¼º°Ý¿¡ ¸ÂÁö ¾Ê´Â ±ÛÀº »èÁ¦µÉ ¼ö ÀÖ½À´Ï´Ù.
| No | Á¦¸ñ | ÀÛ¼ºÀÚ | ÀÛ¼ºÀÏ |
| µî·ÏµÈ ±ÛÀÌ ¾ø½À´Ï´Ù. |
»óǰ°ü·Ã ¹®ÀǸ¦ ³²°ÜÁÖ½Ã¸é ´äº¯ÇØµå¸³´Ï´Ù. ¼º°Ý¿¡ ¸ÂÁö ¾Ê´Â ±ÛÀº »èÁ¦µÉ ¼ö ÀÖ½À´Ï´Ù.
| No | Á¦¸ñ | ÀÛ¼ºÀÚ | ÀÛ¼ºÀÏ |
| µî·ÏµÈ ±ÛÀÌ ¾ø½À´Ï´Ù. |
|