Ȩ >  >  > 

ÀÌÀü»óǰ¸ñ·Ï´ÙÀ½»óǰ

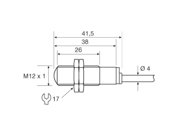
TELCO Sensor/LT 100 TB38 5
¸ðµ¨¸í LT 100 TB38 5
°ø±Þ°¡/ºÎ°¡¼¼ °¡°ÝÇùÀÇ
Àû¸³±Ý 704 ¿ø
ÇÒÀÎÄíÆù
±¸¸Å¼ö·®
Á¦Á¶»ç/¿ø»êÁö TELCO
»óǰÄÚµå G0000017774

✨ TELCO ¼¾¼­ LT 100 TB38 5 (¼Û½Å±â) 

 

Telco SensorsÀÇ LT 100 TB38 5´Â °ÅÄ£ ȯ°æ¿¡¼­µµ ¾ÈÁ¤ÀûÀÎ ÀÛµ¿À» º¸ÀåÇϴ ǥÁØ ¿ø°Ý ±¤Àü ½Ã½ºÅÛ¿ë ¼Û½Å±âÀÔ´Ï´Ù. ³ôÀº ±¤ ³»¼º°ú °ß°íÇÑ ÇÏ¿ì¡À» °®Ãß¾î ´Ù¾çÇÑ »ê¾÷ ȯ°æ¿¡¼­ ½Å·ÚÇÒ ¼ö ÀÖ´Â °¨Áö ¼Ö·ç¼ÇÀ» Á¦°øÇÕ´Ï´Ù.


 

💡 ÁÖ¿ä Æ¯Â¡

 

  • ±â´É: ¼Û½Å±â(Transmitter) (LR 100 TB38 5 ¼ö½Å±â¿Í ȣȯ)

  • °ß°íÇÑ ¼³°è: ´ÏÄÌ µµ±Ý Ȳµ¿ ÇϿ조ú IP 67ÀÇ ³ôÀº º¸È£ µî±ÞÀ¸·Î ½À±â, ¸ÕÁö, Áøµ¿¿¡ °­ÇÔ.

  • Àå°Å¸® °¨Áö: ÃÖ´ë 18mÀÇ ±ä °¨Áö ¹üÀ§(¾ÚÇÁ¿¡ µû¶ó ´Þ¶óÁú ¼ö ÀÖÀ½).

  • ³ôÀº ±¤ ³»¼º: 20¡Æ ÀԻ簢¿¡¼­ 80,000 lux ÀÌ»óÀÇ ³ôÀº ¿ÜºÎ ±¤ ³»¼º.



ÃÖ±Ùº»»óǰ

¿£ÅÍÄÉÀÌ ±¸¸Å´ëÇà

ÃÖÀú°¡/´Ü³³±â Ãßõ

010-8668-2332
¢º Ä«Åå,¹®ÀÚ Àü¿ë ¿¬¶ôó
enterk@ssenp.co.kr
031.935.0452
°áÁ¦ °èÁ¹øÈ£
±â¾÷ÀºÇà
607-017205-01-013
ÀÌ»ó±Ù (¿¡½º¿¡½ºÀÌ¿£ÇÇ)