Ȩ > > >
⚡ Telco Sensors PA 11 A 302T
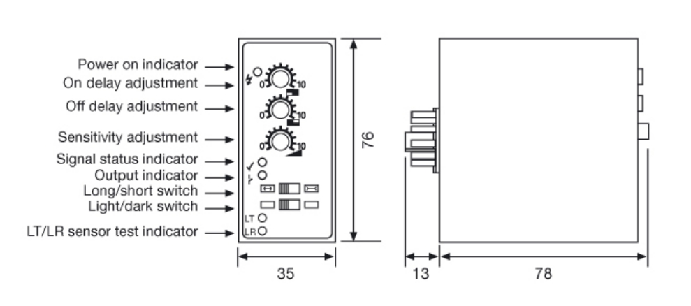
💡 Á¦Ç° °³¿ä: °·ÂÇÑ ±â´ÉÀ» °®Ãá ¿ø°Ý ¼¾¼¿ë ¹ü¿ë ÁõÆø±â Telco SensorsÀÇ PA 11 A 302T´Â TelcoÀÇ ¸ðµç ¿ø°Ý ±¤Àü ¼¾¼ (Remote Photoelectric Sensors) ½Ã½ºÅÛÀ» ±¸µ¿Çϰí Á¦¾îÇÏ´Â ÇÙ½É À¯´ÖÀÎ ¹ü¿ë ÁõÆø±âÀÔ´Ï´Ù. ƯÈ÷ M12 ½ºÅ×Àθ®½º ½ºÆ¿ ¼Û¼ö±¤ºÎ(¿¹: LT/LR 100L TS 58 J)¿Í ¿Ïº®ÇÏ°Ô È£È¯µÇ¸ç, ÇϳªÀÇ ÁõÆø±â·Î ÃÖ´ë µÎ ½ÖÀÇ ¼¾¼¸¦ µ¿½Ã¿¡ ¿¬°á ¹× Á¦¾îÇÒ ¼ö ÀÖ´Â °í¼º´É ¸ðµ¨ÀÔ´Ï´Ù. ÀÌ ÁõÆø±â´Â ¼¾¼ÀÇ Àü¿ø °ø±Þ, ¼ö½Å ½ÅÈ£ ó¸®, °¨µµ Á¶Á¤, Ãâ·Â ½ºÀ§Äª ±â´ÉÀ» ÅëÇÕÇÏ¿© ¿¾ÇÇÑ È¯°æ¿¡ ¼³Ä¡µÈ ¼¾¼ÀÇ ¾ÈÁ¤ÀûÀÎ ¼º´ÉÀ» º¸ÀåÇÕ´Ï´Ù ✅ ÁÖ¿ä Æ¯¼º ±â´É: ¿ø°Ý ±¤Àü ¼¾¼¿ë ÁõÆø±â (Amplifier) ȣȯ ¼¾¼: TelcoÀÇ ¸ðµç ¿ø°Ý ¼Û½ÅºÎ(LT) ¹× ¼ö±¤ºÎ(LR) ½Ã¸®Áî (¿¹: LT/LR 100L TS 58 J) ä³Î ¼ö: 2ä³Î (µÎ ½ÖÀÇ ¼Û¼ö±¤ºÎ µ¿½Ã ¿¬°á ¹× Á¦¾î °¡´É) Ãâ·Â ¹æ½Ä: ¸±·¹ÀÌ Ãâ·Â (Relay Output) Ãâ·Â ±¸¼º: 2 x CO (Change Over) ¸±·¹ÀÌ, °¢ ä³Î´ç 1°³ ¼³Ä¡: DIN ·¹ÀÏ ÀåÂøÇü (DIN Rail Mountable) º¸È£ µî±Þ: IP 40 (Á¦¾î ijºñ´Ö ³»ºÎ ¼³Ä¡¿ë)
⚙️ Á¦Ç° »ó¼¼ »ç¾ç (PA 11 A 302T) | Ç׸ñ | »ç¾ç | | ¸ðµ¨¸í | PA 11 A 302T | | Àü¿ø Àü¾Ð | 100 - 240 VAC (¹ü¿ë AC Àü¾Ð Áö¿ø) | | Ãâ·Â ŸÀÔ | ¸±·¹ÀÌ Ãâ·Â (Relay Output) | | Ãâ·Â ±¸¼º | 2 x CO (Change Over) ¸±·¹ÀÌ | | ½ºÀ§Äª ¿ë·® | 250 VAC / 3 A (ÀúÇ× ºÎÇÏ) | | ¼¾¼ ¿¬°á | 2ä³Î, 2 x 4ÇÉ ´ÜÀÚ´ë | | ÀÀ´ä ½Ã°£ | < 10ms | | Á¦¾î ±â´É | °¨µµ Á¶Àý (Potentiometer), Light/Dark ½ºÀ§Ä¡ (ä³Îº°) | | Ç¥½Ãµî (LED) | Àü¿ø (Power), Ãâ·Â »óÅ (Output), ¼ö½Å ½ÅÈ£ °µµ (Alignment) | | ¼³Ä¡ ¹æ½Ä | 35mm DIN ·¹ÀÏ | | º¸È£ µî±Þ | IP 40 | | ÀÛµ¿ ¿Âµµ | –20¡ÆC ~ +60¡ÆC |
🌟 PA 11 A 302TÀÇ ÇÙ½É ÀÌÁ¡ ´ÙÁß Ã¤³Î Á¦¾î (2ä³Î): ¹ü¿ë Àü¾Ð Áö¿ø: ³ôÀº ½Å·Ú¼ºÀÇ ¸±·¹ÀÌ Ãâ·Â: Á¤¹ÐÇÑ °¨µµ Á¶Àý: Æí¸®ÇÑ Áø´Ü ±â´É:
🎯 ÁÖ¿ä Àû¿ë ºÐ¾ß »ê¾÷¿ë ±â°è ¹× Àåºñ: ¼¾¼ ½Ã½ºÅÛÀÇ Áß¾Ó ÁýÁᫎ Á¦¾î. ÀÚµ¿¹® ¹× °ÔÀÌÆ® ½Ã½ºÅÛ: ³ôÀº ½Å·Ú¼ºÀÌ ¿ä±¸µÇ´Â ¾ÈÀü ¹× À§Ä¡ °¨Áö. ÀÚÀç ¿î¹Ý ¹× Æ÷Àå ¶óÀÎ: ´ÙÁß ÁöÁ¡¿¡¼ ¹°Ã¼ °¨Áö ¹× Ä«¿îÆÃ. °¡È¤ ȯ°æ ¼¾¼ ½Ã½ºÅÛ: LT/LR 100L TS 58 J¿Í °°Àº ³»±¸¼º ³ôÀº ¼¾¼ÀÇ ±¸µ¿.
PA 11 A 302T ÁõÆø±â´Â TelcoÀÇ ¿ø°Ý ¼¾¼ ½Ã½ºÅÛÀÇ 'µÎ³ú' ¿ªÇÒÀ» ÇÕ´Ï´Ù. ÀÌ ÁõÆø±â¸¦ ÅëÇØ LT/LR 100L TS 58 J ¼¾¼ ½Ã½ºÅÛÀÇ ¸ðµç ÀáÀç·ÂÀ» Ȱ¿ëÇÒ ¼ö ÀÖ½À´Ï´Ù.


|
| No | ±¸ºÐ | Á¦¸ñ | ÷ºÎÆÄÀÏ |
| 1 |
īŻ·Î±× |
Telco Photoelectric Amplifier/ Telco PA 11 A 302T |
 |
¹Ýǰ ±³È¯ ¾È³» »óǰ ºÒ·® ¹× ¿À¹è¼Û µîÀÇ ÀÌÀ¯·Î ¹ÝǰÇÏ½Ç °æ¿ì, ¹Ýǰ¹è¼Ûºñ´Â ¹«·áÀÔ´Ï´Ù. ¹Ýǰ ¹× ±³È¯Àº »óǰ ¼ö·É ÈÄ 14ÀÏ À̳»¿¡ ½ÅûÇÏ½Ç ¼ö ÀÖ½À´Ï´Ù. Áß°íÁ¦Ç°ÀÏ °æ¿ì¿¡´Â Á¦Ç° ¼³¸í°ú ´Ù¸¦ °æ¿ì ȯºÒÀ̳ª ±³È¯ °¡´ÉÇÕ´Ï´Ù. ¹æ¹® È®ÀÎ ÈÄ ±¸ÀÔÇÑ Áß°í Á¦Ç°ÀÇ °æ¿ì ¹Ýǰ ¹× ±³È¯ÀÌ ºÒ°¡´É ÇÕ´Ï´Ù.
¹Ýǰ/±³È¯/ºÒ°¡»çÀ¯ -´ÙÀ½ÀÇ °æ¿ì¿¡´Â ¹Ýǰ/±³È¯ÀÌ ºÒ°¡ÇÕ´Ï´Ù. *¹Ýǰ/±³È¯ °¡´É±â°£À» ÃʰúÇÏ¿´À» °æ¿ì *»óǰ ¹× ±¸¼ºÇ°À» Ãë±ÞºÎÁÖÀÇ·Î ÀÎÇÑ ÆÄ¼Õ/°íÀå/¿À¿°µÈ °æ¿ì *°í°´´ÔÀÇ ¿äû¿¡ ÀÇÇØ ÁÖ¹®Á¦ÀÛµÈ °æ¿ì °í°´´ÔÀÇ º¯½É¿¡ ÀÇÇÑ °æ¿ì *»óǰÀ» ¼³Ä¡ÇÏ¿´°Å³ª »ç¿ë ¶Ç´Â »óǰ ÀϺθ¦ ¼ÒºñÇÏ¿´À» °æ¿ì *°í°´´ÔÀÇ Ã¥ÀÓÀÖ´Â »çÀ¯·Î »óǰ µîÀÌ ¸ê½Ç ¶Ç´Â ÈÑ¼ÕµÈ °æ¿ì *¼Ò¸ð¼º »óǰÀ» °³ºÀ ¶Ç´Â »ç¿ëÇÏ¿´À» °æ¿ì
¹Ýǰ/±³È¯ Âü°í»çÇ× *°í°´´Ô ±ÍÃ¥»çÀ¯·Î ÀÎÇØ ¼ö°Å°¡ Áö¿¬µÉ °æ¿ì¿¡´Â ¹ÝǰÀÌ Á¦ÇÑµÉ ¼ö ÀÖ½À´Ï´Ù. *ÀϺΠ»óǰÀÇ °æ¿ì, Á¦Á¶»çÀÇ »çÁ¤(½Å¸ðµ¨ Ãâ½Ã µî) ¹× ºÎǰ °¡°Ýº¯µ¿ µî¿¡ ÀÇÇØ °¡°ÝÀÌ º¯µ¿µÉ ¼ö ÀÖÀ¸¸ç, ÀÌ·Î ÀÎÇÑ ¹Ýǰ ¹× °¡°Ý º¸»óÀº ºÒ°¡ÇÕ´Ï´Ù. *ºÀÀÎ ¶óº§ ¹× ·¦ÇÎ/ºñ´ÒÆ÷ÀåÀ» Á¦°ÅÇÑ ÈÄ¿¡´Â ¹ÝǰÀÌ ºÒ°¡ÇÕ´Ï´Ù. *ÀÚü A/S¼¾ÅͰ¡ ÀÖ´Â »óǰÀº ÇØ´ç A/S¼¾ÅÍ¿¡¼ ºÒ·®Á¦Ç° ÆÇÁ¤À» ¹ÞÀ¸½Å ÈÄ ¹Ýǰ½ÅÃ»ÇØÁֽñ⠹ٶø´Ï´Ù.
A/S¾È³» »óǰ ºÒ·®¿¡ ÀÇÇÑ ¹Ýǰ, ±³È¯, A/S, ȯºÒ, ǰÁúº¸Áõ ¹× ÇÇÇØº¸»ó µî¿¡ °üÇÑ »çÇ×Àº ¼ÒºñÀÚºÐÀïÇØ°á±âÁØ(°øÁ¤°Å·¡À§¿øÈ¸ °í½Ã)¿¡ µû¶ó ¹ÞÀ¸½Ç ¼ö ÀÖ½À´Ï´Ù.
Á¦Ç°¿¡ ±âÀçµÈ Á¦Ç°¿¡ ´ëÇÑ ¾ÈÀüÀÎÁõ¹øÈ£ ¹× A/S¿¡ ´ëÇÑ »çÇ×Àº °ü·Ã ±ÔÁ¤¿¡ µû¶ó A/S¹ÞÀ¸½Ç ¼ö ÀÖ½À´Ï´Ù.
|
»óǰÆòÀº ÁÖ°üÀûÀÎ ÀǰßÀ̹ǷΠº¸´Â »ç¶÷¿¡ µû¶ó Â÷À̰¡ ÀÖÀ» ¼ö ÀÖÀ½À» Âü°íÇϽñ⠹ٶø´Ï´Ù. ¼º°Ý¿¡ ¸ÂÁö ¾Ê´Â ±ÛÀº »èÁ¦µÉ ¼ö ÀÖ½À´Ï´Ù.
| No | Á¦¸ñ | ÀÛ¼ºÀÚ | ÀÛ¼ºÀÏ |
| µî·ÏµÈ ±ÛÀÌ ¾ø½À´Ï´Ù. |
»óǰ°ü·Ã ¹®ÀǸ¦ ³²°ÜÁÖ½Ã¸é ´äº¯ÇØµå¸³´Ï´Ù. ¼º°Ý¿¡ ¸ÂÁö ¾Ê´Â ±ÛÀº »èÁ¦µÉ ¼ö ÀÖ½À´Ï´Ù.
| No | Á¦¸ñ | ÀÛ¼ºÀÚ | ÀÛ¼ºÀÏ |
| µî·ÏµÈ ±ÛÀÌ ¾ø½À´Ï´Ù. |
|